Engine Mount Patterns
#1
Thread Starter
Senior Member
Joined: Mar 2009
Posts: 237
Likes: 0
Received 0 Likes
on
0 Posts
From: Branson,
MO
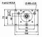
I am getting ready to drill the alum. mount on my Homie convert. If I can I would like to see if I can match the mount pattern for some of the commercial engine like Zenoah etc. Just in case I decide to change the engine on the plane, I won't have to drill more holes in the fire wall.
Does any body have any mounting templates that they can share, so I can download.
Does any body have any mounting templates that they can share, so I can download.
#6
Thread Starter
Senior Member
Joined: Mar 2009
Posts: 237
Likes: 0
Received 0 Likes
on
0 Posts
From: Branson,
MO
Thanks for your help. Yeah a larger pic would be helpful, at least big enough to see dimensions.
I would really like some mount templates from the G38 up to 50cc motors because if I change the engine it will be for something at least a 40cc size.
I would really like some mount templates from the G38 up to 50cc motors because if I change the engine it will be for something at least a 40cc size.





