RCU Forums

RCU Forums (https://www.rcuniverse.com/forum/)
-   FPV, UAV & Drones (https://www.rcuniverse.com/forum/fpv-uav-drones-486/)
-   -   UAV on AT91SAM7. Step-by-step. (https://www.rcuniverse.com/forum/fpv-uav-drones-486/11644641-uav-at91sam7-step-step.html)

Maksimuzz 02-06-2018 01:30 AM

UAV on AT91SAM7. Step-by-step.
 
12 Attachment(s)
Hello all. For several years I was engaged in the hobby of the "invention" of an autopilot, I decided to share. The carrier board with
sensors and a controller you can see below:
Attachment 2253685
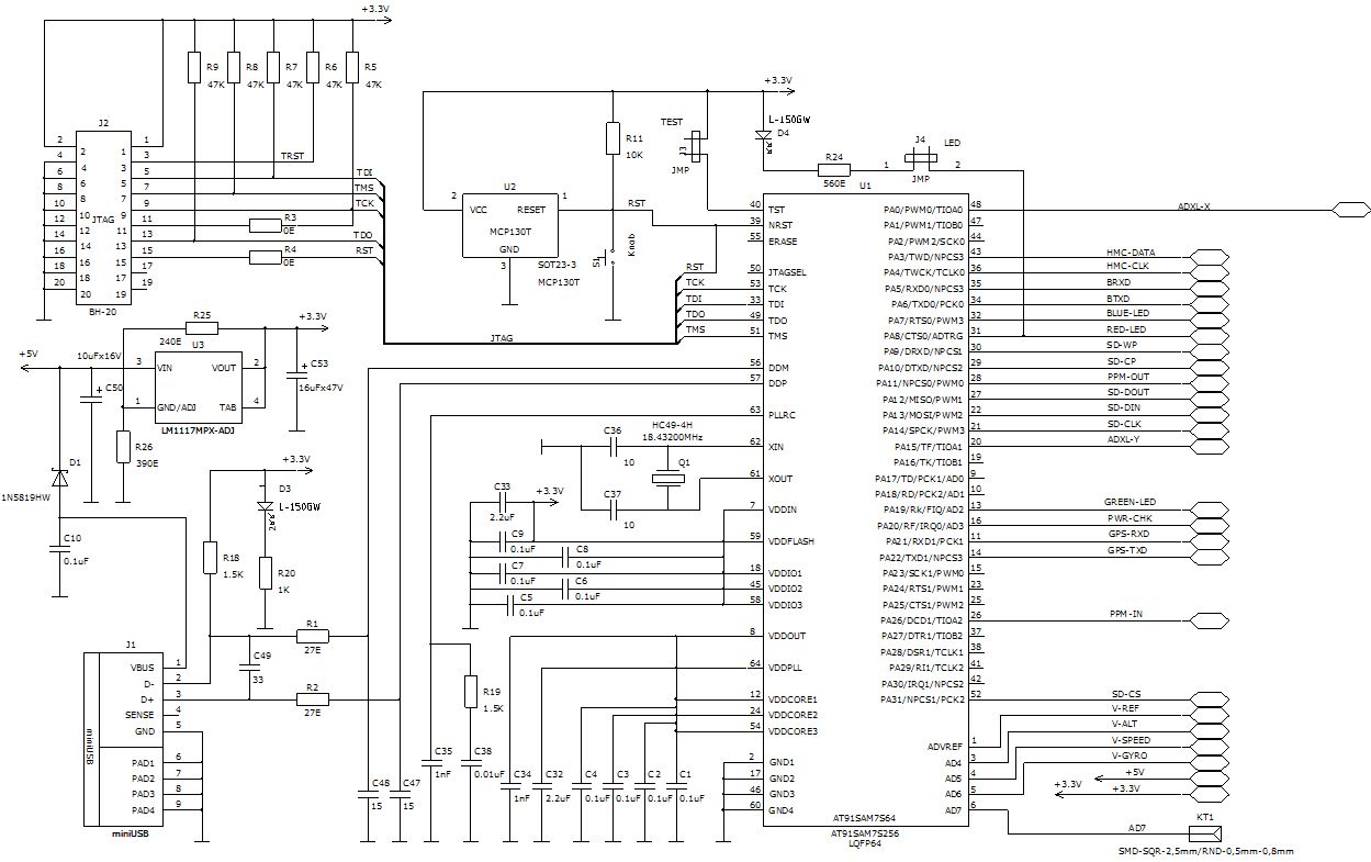
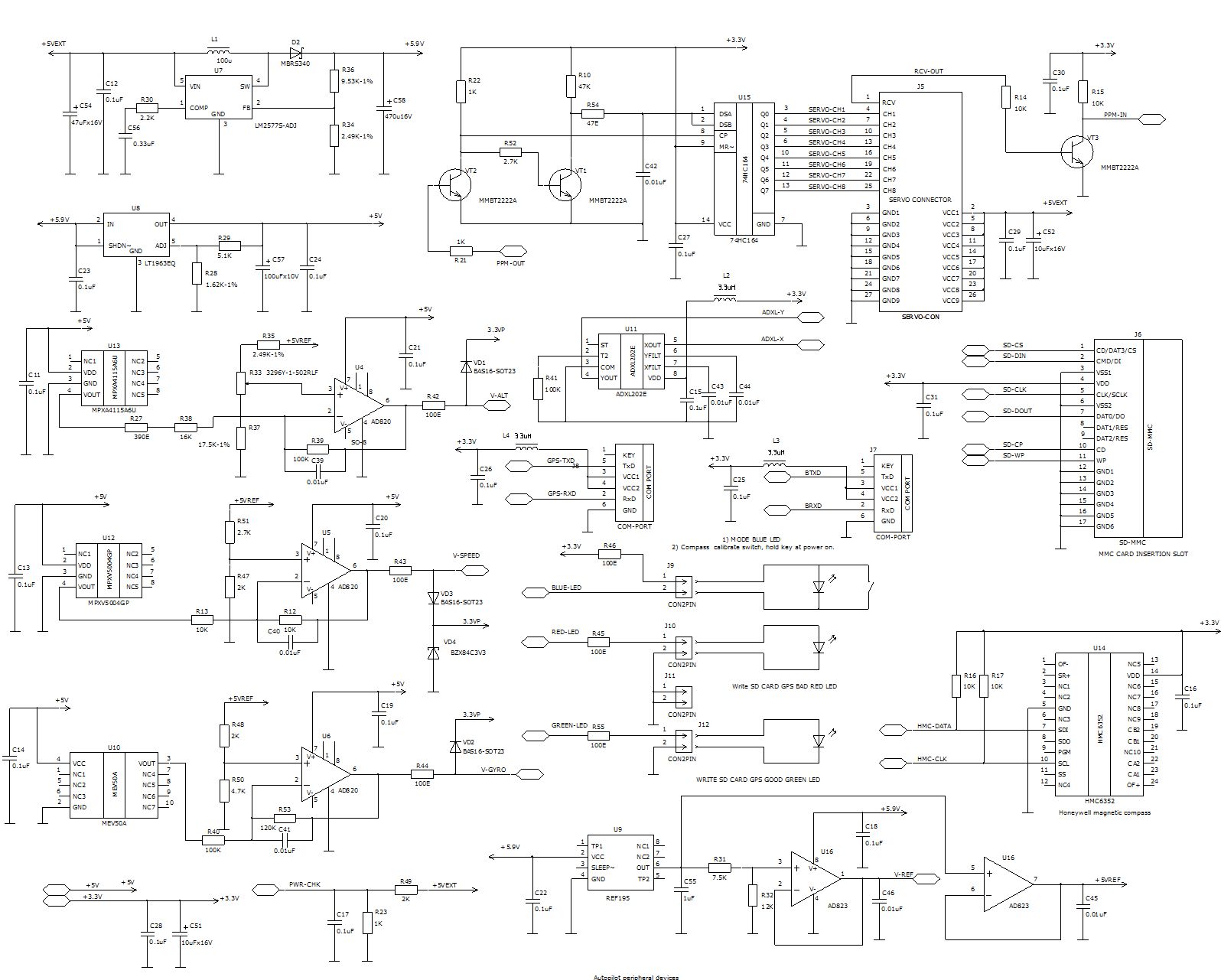
The autopilot is made on the basis of a debug board. The circuit consists of a debug board and a periphery:
Attachment 2253686 Attachment 2253687
The project with the source code of software for the controller can be found here: Attachment 2253690. Software provides the work of sensors using
8 interrupt handlers, timers, TWI (I2C), SPI, UART, RTTC, PWMC. A route for GPS write to the SD-card, as the flight is written
once a second, supported by FAT12 or FAT32. The route data is written to the SD card, which also writes flight data once a second.
One of the test models is shown in the figure below.
Attachment 2253691 Attachment 2253688
This is the Wing Dragon Sportster, the 1.18M swing, the take-off weight on the passport is 650g, actually measured 750g, with
autopilot 840g. (As seems, an overload present) More details with the project can be found in my profile. The concept of constructing
an autopilot for a radio-controlled unmanned aircraft on the basis of a cheap controller and modern inertial position sensors find here
You can. The concept is verified on a virtual model using the X-Plane 6 simulator and on a real model wich have a pushing screw and
an electric motor. A variant of the flight algorithm along the route using GPS is proposed. Tests were carried out, graphs were
constructed and flight data and video data were discussed. The program for calculating the plane alignment using a programmable
calculator for Android and an example of its use. All sources are available from modeling to the design of the printed circuit board.

betomxl 02-23-2018 03:46 PM

That is amazing, i wish i had a fraction of the talent and knowledge you need to do this....how does it fly?

Maksimuzz 02-24-2018 01:41 PM

4 Attachment(s)
Good day! I very glad You reply. This project now is not finalized. But I hav many tests. Until I have only blog in russian. You may see url in my profile, I don't have permision to write URL. And I make translate it in englishe at rcgroups. As seems an interest flight was in a slow motion, but with bad GPS positioning, And the one more flight was not so good recorded by the camera. My plane landed at field, because battery was bad. You can see landing at left down angle of screen. The Dragon flight was about 1.5km:
Attachment 2255823
A point 4 offset was about 3 м relatively card route.
Attachment 2255824

Maksimuzz 02-28-2018 12:30 PM

Good day! I very glad You reply. This project now is not finalized. But I hav many tests. Until I have only blog in russian. You may see url in my profile, I don't have permision to write URL. And I make translate it in english at rcgroups. As seems an interest flight was recorded 02.09.2017 at in a slow motion, but with bad GPS positioning, And the one more flight was not so good recorded by the camera. My plane landed at field, because battery was bad. You can see landing at left down angle of screen. The Dragon flight was about 1.5km, a point 4 offset was about 3 м relatively card route. You can see video in my blog also at rcgroups, the name is Maksimuzz.

Maksimuzz 03-01-2018 09:28 AM

4 Attachment(s)
Good day! I very glad You reply. This project now is not finalized. But I hav many tests. Until I have only blog in russian. You may see url in my profile, I don't have permision to write URL. And I make translate it in english at rcgroups. As seems an interest flight was in a slow motion, but with bad GPS positioning. And the one more flight was not so good recorded by the camera. My plane landed at field, because battery was bad. You can see landing at left down angle of screen. The Dragon flight was about 1.5km, a point 4 offset was about 3 м relatively card route. Parameters and landscape of this flight You can see on the pictures.
Attachment 2256553
Attachment 2256552

Maksimuzz 03-14-2018 03:27 AM

Good day! I very glad You reply. This project now is not finalized. But I hav many tests. Until I have only blog in russian. You may see url in my profile, I don't have permision to write URL. And I make translate it in englishe at rcgroups with name Maksimuzz. As seems an interest flight was in a slow motion, but with bad GPS positioning, And the one more flight was not so good recorded by the camera. My plane landed at field, because battery was bad. You can see landing at left down angle of screen. The Dragon flight was about 1.5km, a point 4 offset was about 3 м relatively card route. P.s. it second answer, because first answer about 23 february was not been published by moderator. Sorry.

Maksimuzz 03-14-2018 11:07 PM

I'm sorry, but as seems my messages are ignored by moderators.. I replayed at 02/23/2018:
Good day! I very glad You reply. This project now is not finalized. But I hav many tests. Until I have only blog in russian. You may see url in my profile, I don't have permision to write URL. And I make translate it in englishe at rcgroups with name Maksimuzz. As seems an interest flight was in a slow motion, but with bad GPS positioning, And the one more flight was not so good recorded by the camera. My plane landed at field, because battery was bad. You can see landing at left down angle of screen. The Dragon flight was about 1.5km, a point 4 offset was about 3 м relatively card route.

Maksimuzz 03-15-2018 04:19 AM

Good day! I very glad You reply. This project is not finalized now. But I have many tests. Until I have only blog in russian. You may see url in my profile because
I don't have permission to write urls here. And I make translate my blog to english at site rcgroups.com with name Maksimuzz. As seems an interest flight was
recorded as video and accessible in slow mode. In this flight GPS provided wrong position but plane was flying very butifully:) One more flight was recorded
bad(at 09/17/2017), but here may be see take off and landing at field (at left down side of the video) The Dragon flight was about 1,5 km, a point 4 offset was
about 3 m relatively SD card route.


All times are GMT -8. The time now is 07:17 AM.


Copyright © 2026 MH Sub I, LLC dba Internet Brands. All rights reserved. Use of this site indicates your consent to the Terms of Use.