UAV on AT91SAM7. Step-by-step.
#1
Thread Starter

Joined: Jan 2018
Posts: 7
Likes: 0
Received 0 Likes
on
0 Posts
From: Saint-Peterspurg, Russia
Hello all. For several years I was engaged in the hobby of the "invention" of an autopilot, I decided to share. The carrier board with
sensors and a controller you can see below:

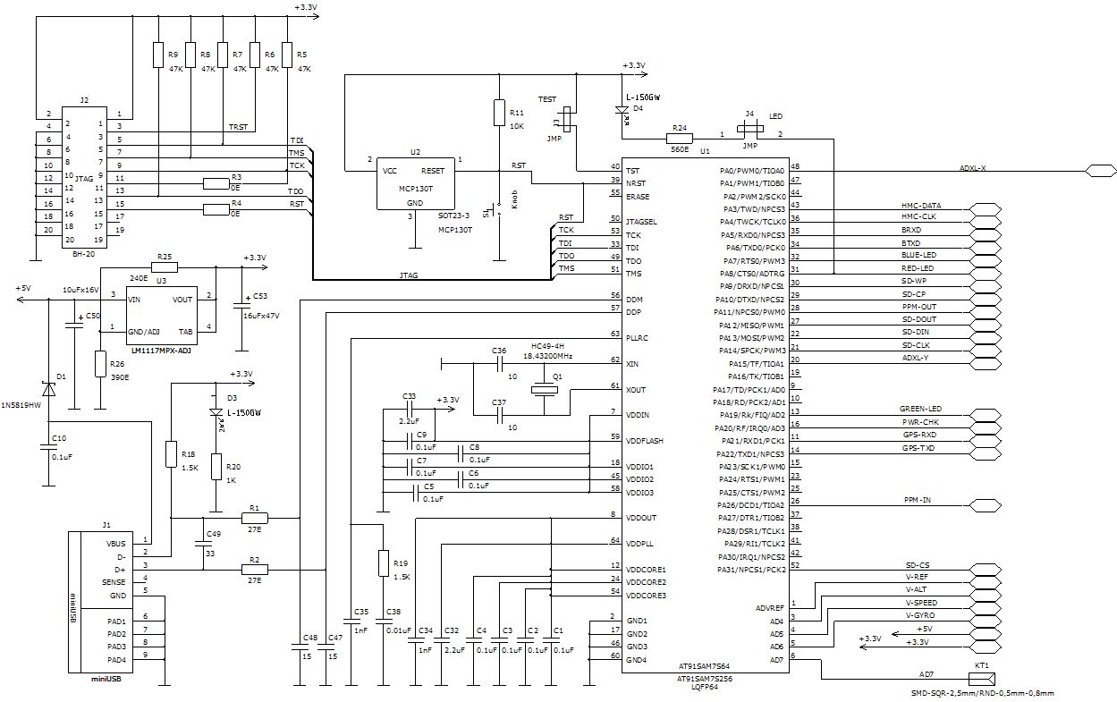
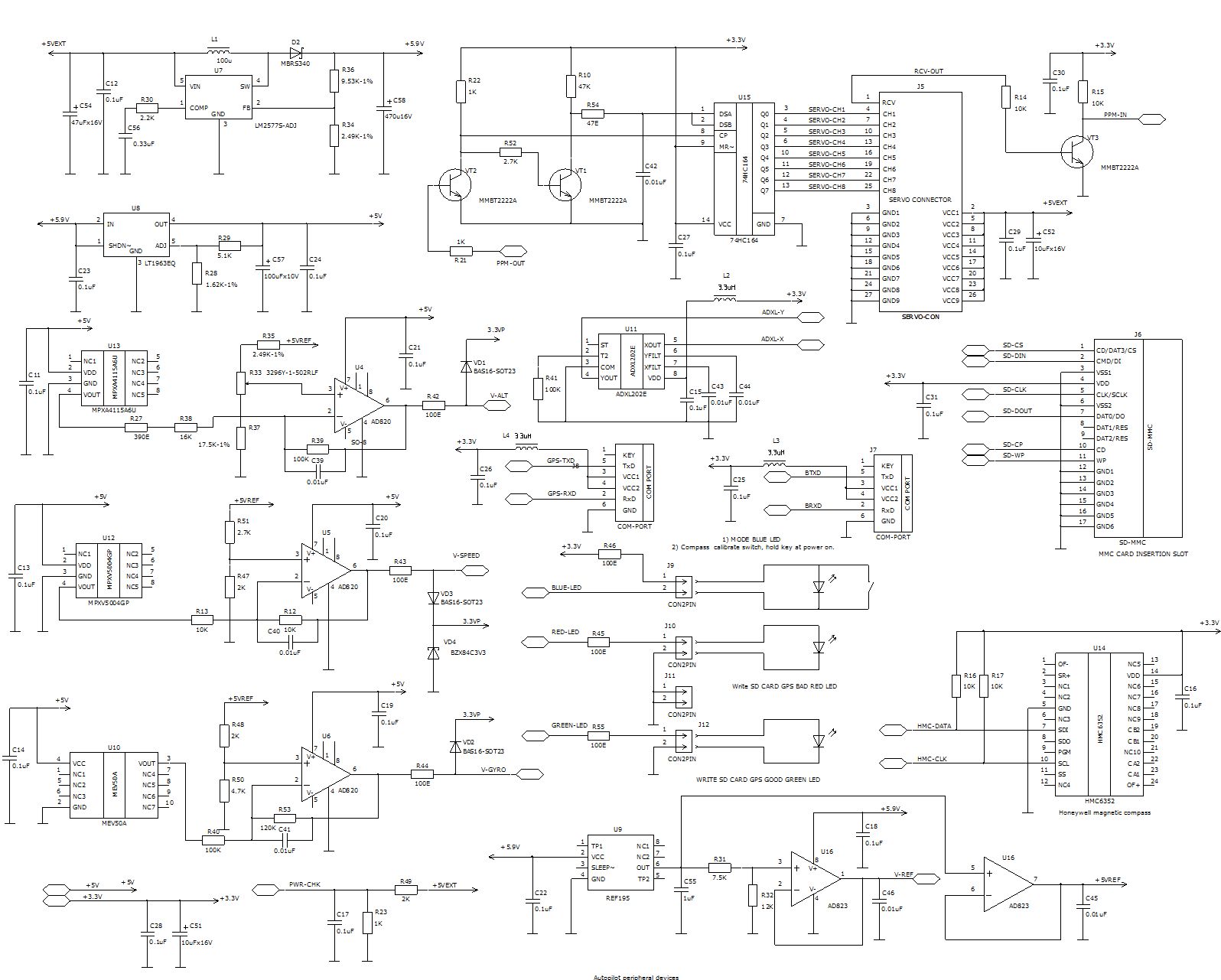
The autopilot is made on the basis of a debug board. The circuit consists of a debug board and a periphery:

The project with the source code of software for the controller can be found here: GPILOT.zip. Software provides the work of sensors using
8 interrupt handlers, timers, TWI (I2C), SPI, UART, RTTC, PWMC. A route for GPS write to the SD-card, as the flight is written
once a second, supported by FAT12 or FAT32. The route data is written to the SD card, which also writes flight data once a second.
One of the test models is shown in the figure below.

This is the Wing Dragon Sportster, the 1.18M swing, the take-off weight on the passport is 650g, actually measured 750g, with
autopilot 840g. (As seems, an overload present) More details with the project can be found in my profile. The concept of constructing
an autopilot for a radio-controlled unmanned aircraft on the basis of a cheap controller and modern inertial position sensors find here
You can. The concept is verified on a virtual model using the X-Plane 6 simulator and on a real model wich have a pushing screw and
an electric motor. A variant of the flight algorithm along the route using GPS is proposed. Tests were carried out, graphs were
constructed and flight data and video data were discussed. The program for calculating the plane alignment using a programmable
calculator for Android and an example of its use. All sources are available from modeling to the design of the printed circuit board.
sensors and a controller you can see below:
The autopilot is made on the basis of a debug board. The circuit consists of a debug board and a periphery:
The project with the source code of software for the controller can be found here: GPILOT.zip. Software provides the work of sensors using
8 interrupt handlers, timers, TWI (I2C), SPI, UART, RTTC, PWMC. A route for GPS write to the SD-card, as the flight is written
once a second, supported by FAT12 or FAT32. The route data is written to the SD card, which also writes flight data once a second.
One of the test models is shown in the figure below.
This is the Wing Dragon Sportster, the 1.18M swing, the take-off weight on the passport is 650g, actually measured 750g, with
autopilot 840g. (As seems, an overload present) More details with the project can be found in my profile. The concept of constructing
an autopilot for a radio-controlled unmanned aircraft on the basis of a cheap controller and modern inertial position sensors find here
You can. The concept is verified on a virtual model using the X-Plane 6 simulator and on a real model wich have a pushing screw and
an electric motor. A variant of the flight algorithm along the route using GPS is proposed. Tests were carried out, graphs were
constructed and flight data and video data were discussed. The program for calculating the plane alignment using a programmable
calculator for Android and an example of its use. All sources are available from modeling to the design of the printed circuit board.
Last edited by Maksimuzz; 02-07-2018 at 02:36 AM.
#3
Thread Starter

Joined: Jan 2018
Posts: 7
Likes: 0
Received 0 Likes
on
0 Posts
From: Saint-Peterspurg, Russia
Good day! I very glad You reply. This project now is not finalized. But I hav many tests. Until I have only blog in russian. You may see url in my profile, I don't have permision to write URL. And I make translate it in englishe at rcgroups. As seems an interest flight was in a slow motion, but with bad GPS positioning, And the one more flight was not so good recorded by the camera. My plane landed at field, because battery was bad. You can see landing at left down angle of screen. The Dragon flight was about 1.5km:

A point 4 offset was about 3 м relatively card route.
A point 4 offset was about 3 м relatively card route.
#4
Thread Starter

Joined: Jan 2018
Posts: 7
Likes: 0
Received 0 Likes
on
0 Posts
From: Saint-Peterspurg, Russia
Good day! I very glad You reply. This project now is not finalized. But I hav many tests. Until I have only blog in russian. You may see url in my profile, I don't have permision to write URL. And I make translate it in english at rcgroups. As seems an interest flight was recorded 02.09.2017 at in a slow motion, but with bad GPS positioning, And the one more flight was not so good recorded by the camera. My plane landed at field, because battery was bad. You can see landing at left down angle of screen. The Dragon flight was about 1.5km, a point 4 offset was about 3 м relatively card route. You can see video in my blog also at rcgroups, the name is Maksimuzz.
#5
Thread Starter

Joined: Jan 2018
Posts: 7
Likes: 0
Received 0 Likes
on
0 Posts
From: Saint-Peterspurg, Russia
Good day! I very glad You reply. This project now is not finalized. But I hav many tests. Until I have only blog in russian. You may see url in my profile, I don't have permision to write URL. And I make translate it in english at rcgroups. As seems an interest flight was in a slow motion, but with bad GPS positioning. And the one more flight was not so good recorded by the camera. My plane landed at field, because battery was bad. You can see landing at left down angle of screen. The Dragon flight was about 1.5km, a point 4 offset was about 3 м relatively card route. Parameters and landscape of this flight You can see on the pictures.

#6
Thread Starter

Joined: Jan 2018
Posts: 7
Likes: 0
Received 0 Likes
on
0 Posts
From: Saint-Peterspurg, Russia
Good day! I very glad You reply. This project now is not finalized. But I hav many tests. Until I have only blog in russian. You may see url in my profile, I don't have permision to write URL. And I make translate it in englishe at rcgroups with name Maksimuzz. As seems an interest flight was in a slow motion, but with bad GPS positioning, And the one more flight was not so good recorded by the camera. My plane landed at field, because battery was bad. You can see landing at left down angle of screen. The Dragon flight was about 1.5km, a point 4 offset was about 3 м relatively card route. P.s. it second answer, because first answer about 23 february was not been published by moderator. Sorry.
#7
Thread Starter

Joined: Jan 2018
Posts: 7
Likes: 0
Received 0 Likes
on
0 Posts
From: Saint-Peterspurg, Russia
I'm sorry, but as seems my messages are ignored by moderators.. I replayed at 02/23/2018:
Good day! I very glad You reply. This project now is not finalized. But I hav many tests. Until I have only blog in russian. You may see url in my profile, I don't have permision to write URL. And I make translate it in englishe at rcgroups with name Maksimuzz. As seems an interest flight was in a slow motion, but with bad GPS positioning, And the one more flight was not so good recorded by the camera. My plane landed at field, because battery was bad. You can see landing at left down angle of screen. The Dragon flight was about 1.5km, a point 4 offset was about 3 м relatively card route.
Good day! I very glad You reply. This project now is not finalized. But I hav many tests. Until I have only blog in russian. You may see url in my profile, I don't have permision to write URL. And I make translate it in englishe at rcgroups with name Maksimuzz. As seems an interest flight was in a slow motion, but with bad GPS positioning, And the one more flight was not so good recorded by the camera. My plane landed at field, because battery was bad. You can see landing at left down angle of screen. The Dragon flight was about 1.5km, a point 4 offset was about 3 м relatively card route.
#8
Thread Starter

Joined: Jan 2018
Posts: 7
Likes: 0
Received 0 Likes
on
0 Posts
From: Saint-Peterspurg, Russia
Good day! I very glad You reply. This project is not finalized now. But I have many tests. Until I have only blog in russian. You may see url in my profile because
I don't have permission to write urls here. And I make translate my blog to english at site rcgroups.com with name Maksimuzz. As seems an interest flight was
recorded as video and accessible in slow mode. In this flight GPS provided wrong position but plane was flying very butifully
One more flight was recorded
bad(at 09/17/2017), but here may be see take off and landing at field (at left down side of the video) The Dragon flight was about 1,5 km, a point 4 offset was
about 3 m relatively SD card route.
I don't have permission to write urls here. And I make translate my blog to english at site rcgroups.com with name Maksimuzz. As seems an interest flight was
recorded as video and accessible in slow mode. In this flight GPS provided wrong position but plane was flying very butifully
One more flight was recordedbad(at 09/17/2017), but here may be see take off and landing at field (at left down side of the video) The Dragon flight was about 1,5 km, a point 4 offset was
about 3 m relatively SD card route.
Last edited by Maksimuzz; 03-15-2018 at 04:54 AM.



