another darn ryobi post (ryobi performance modification, analysis and comparison)
#476

My Feedback: (51)
Craig
If you do a youtube search....there was a video on there of a guy flying a big pvc (SPAD) stick with a Ryobi on it. There may be some plans or directions for it on the Spad to the bone website.
If you do a youtube search....there was a video on there of a guy flying a big pvc (SPAD) stick with a Ryobi on it. There may be some plans or directions for it on the Spad to the bone website.
#477
Member
Joined: Mar 2003
Posts: 38
Likes: 0
Received 0 Likes
on
0 Posts
From: Conyers,
GA
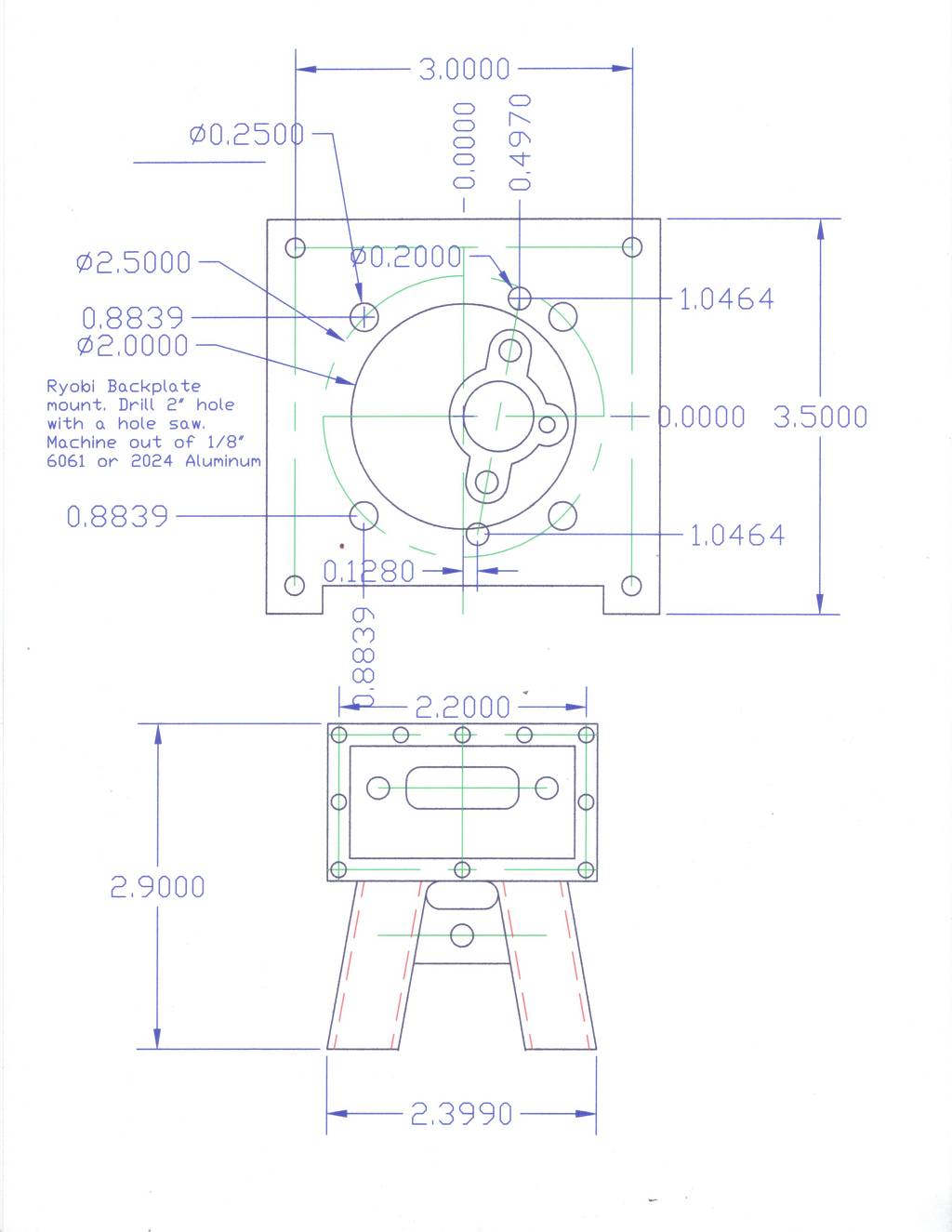
Here is a drawing of what I made for mine. It is made out of 1/8" Aluminum. It also shows a exhaust diviter that I made for mine.
[email protected]
[email protected]
#478
Just a few of my projects with Ryobi power my Sig 4 star 120 a few mods not to many. Also my three 16% Bi=planes enlarged from Sig plans Hog Bipe I cut and scratch built. The flag Bipe was my prototype and I did later invert the engine from the pic shown to help make it more stable in flight. All fly just great with the stock ryobi the 4* does use an electronic ignition with little power gain.
See 4* flight video here.
http://www.youtube.com/watch?v=XPthz2wrfyU
See 4* flight video here.
http://www.youtube.com/watch?v=XPthz2wrfyU
#479
Junior Member
Joined: Oct 2009
Posts: 10
Likes: 0
Received 0 Likes
on
0 Posts
From: , TX
Yup, a weed wacker in the sky
... Very nice airplane.flies very good as well. I am still looking more for a platform ie something inexpensive to build into a photo/video drone.Looks are very much in last place for myself.
A question. What size gas tank and how many minutes can you fly?Stock tank used?
Craig
... Very nice airplane.flies very good as well. I am still looking more for a platform ie something inexpensive to build into a photo/video drone.Looks are very much in last place for myself.A question. What size gas tank and how many minutes can you fly?Stock tank used?
Craig
#480
Senior Member
My Feedback: (13)
Joined: Jul 2005
Posts: 1,686
Likes: 0
Received 0 Likes
on
0 Posts
From: Salem,
OR
if you can find a 120 to 160 size trainer or cub you should be able to use that, even the biggest ugly stick would work good...
#481
Junior Member
Joined: Oct 2009
Posts: 10
Likes: 0
Received 0 Likes
on
0 Posts
From: , TX
I am still thinking about buying a proven wing,if I can do that ? Then building the rest out of Home Depot stuff..pvc pipe and such.
#482

My Feedback: (6)
Tower Hobbies sells wings and other airplane parts. They are not particularly cheap however. www.towerhobbies.com The Giant Stik wing would be good for a Ryobi project. It has over 1500 square inches of wing area which is a good bit and which would make up for the relatively high weight of the engine and other components you wish to use....
Giant Stik wing only: http://www3.towerhobbies.com/cgi-bin...&I=LXKJY1&P=ML
AV8TOR
Giant Stik wing only: http://www3.towerhobbies.com/cgi-bin...&I=LXKJY1&P=ML
AV8TOR
#483

My Feedback: (1)
Joined: Aug 2004
Posts: 102
Likes: 0
Received 0 Likes
on
0 Posts
From: moree, AUSTRALIA
With a standard carb on my ryobi on a 8ft spad I could fly for 50 minutes just cruising around with a 500ml tank.
Mounting a camera on a plane with a ryobi engine you will have vibration problems and have trouble with blured video but i think you can over come these problems with a good mount.
Adrian.
Mounting a camera on a plane with a ryobi engine you will have vibration problems and have trouble with blured video but i think you can over come these problems with a good mount.
Adrian.
#484
I just want to add that PVC pipe even the thin wall pipe weighs quite a bit. Weight for a converted engine is a big enemy and will have a negative affect and possibly a set back if the plane is difficult or impossible to fly.
#485
Junior Member
Joined: Jan 2009
Posts: 26
Likes: 0
Received 0 Likes
on
0 Posts
From: AdelaideAdelaide, AUSTRALIA
apologies for digging up a somewhat 'old' thread but i just couldn't resist a reply.
Kudos to all the research (and blood) that you guys have put in to all this. I have just read all 20 pages and i'm so glad i did. I can not believe that i didn't come accross this page AGES ago! Although not a direct comparison, i have a modded/hybrid Ryobi in my BOAT!
I came accross this thread looking for some ways to get more power from my rig but as it turns out, i have done most of them already! I have gone through almost all of these mods on mine and just by chance ended up with a similar combination- An Old style crank/case with old head and the newer MTD style twin ring piston with a Walbro WT-257 (1/2") as it gave me the best performance. I am also running mine with a large tuned pipe and velocity stack and it SINGS! I don't have figures (sorry) but listen to it in the video below, it is pulling some huge RPM (est . 12k) and i have never had any problems with mechanical failure, i.e rod etc. Mine uses the I beam style rod. The head is modified for water cooling/boat use, the flywheel is machined down and i use a pulley and electric motor to start it.
I think there is still some more potential for the engine in my setup but what i find baffling is there has not been too much talk of what fuels/lubricants have been run in them when the tests were performed - this can easily affect stats between the engines. I run mine on 98 octane premuim fuel (not just high octane, it has more power units per cc) mixed with Castrol Racing TT fully syn oil at 20:1. I have not seen any evidence that running it at lower concentrations of oil makes it run faster and running more oil at these RPM's has to be better. I have NO carbon build up with hours and hours of running. The internals of the engine are like new. Not even any tanning and only what i would call normal wear. The crank bearings however seem to suffer. I suspect that is more because of the occasional water ingestion rather than the speed/forces they endure.
I have also noticed for those that have the entire new engine style (with compression relief, 2 rings etc) that the area around the crank where the ports start, on all of mine there are some fairly reasonable casting marks causing an edge on them. Older ones do not seem to have this. I would suspect that removing them with a file/dremel would make a measurable difference with the flow past them.
Check these:
[youtube]http://www.youtube.com/watch?v=IBM6XZyVhMg[/youtube]


I have many more pics if anyone is interested.
Long live the ryobi!
Kudos to all the research (and blood) that you guys have put in to all this. I have just read all 20 pages and i'm so glad i did. I can not believe that i didn't come accross this page AGES ago! Although not a direct comparison, i have a modded/hybrid Ryobi in my BOAT!
I came accross this thread looking for some ways to get more power from my rig but as it turns out, i have done most of them already! I have gone through almost all of these mods on mine and just by chance ended up with a similar combination- An Old style crank/case with old head and the newer MTD style twin ring piston with a Walbro WT-257 (1/2") as it gave me the best performance. I am also running mine with a large tuned pipe and velocity stack and it SINGS! I don't have figures (sorry) but listen to it in the video below, it is pulling some huge RPM (est . 12k) and i have never had any problems with mechanical failure, i.e rod etc. Mine uses the I beam style rod. The head is modified for water cooling/boat use, the flywheel is machined down and i use a pulley and electric motor to start it.
I think there is still some more potential for the engine in my setup but what i find baffling is there has not been too much talk of what fuels/lubricants have been run in them when the tests were performed - this can easily affect stats between the engines. I run mine on 98 octane premuim fuel (not just high octane, it has more power units per cc) mixed with Castrol Racing TT fully syn oil at 20:1. I have not seen any evidence that running it at lower concentrations of oil makes it run faster and running more oil at these RPM's has to be better. I have NO carbon build up with hours and hours of running. The internals of the engine are like new. Not even any tanning and only what i would call normal wear. The crank bearings however seem to suffer. I suspect that is more because of the occasional water ingestion rather than the speed/forces they endure.
I have also noticed for those that have the entire new engine style (with compression relief, 2 rings etc) that the area around the crank where the ports start, on all of mine there are some fairly reasonable casting marks causing an edge on them. Older ones do not seem to have this. I would suspect that removing them with a file/dremel would make a measurable difference with the flow past them.
Check these:
[youtube]http://www.youtube.com/watch?v=IBM6XZyVhMg[/youtube]

I have many more pics if anyone is interested.
Long live the ryobi!
#487

My Feedback: (6)
That's really cool!! It could be that the reason we hear, (and experience) "grenading" of the Ryobi when run over 7500 rpms or so is because in our airplanes when they do so it is for a much longer period of time than with boats. I have however, heard of many coming apart when run too high of an rpm. I have often thought about machining up an aluminum rod for one just for the hell of it. I think the rod is the weak link; the stamped steel crank assembly/counterweight should be no problem.
Anyway, nice project!
AV8TOR
Anyway, nice project!
AV8TOR
#488
Junior Member
Joined: Jan 2009
Posts: 26
Likes: 0
Received 0 Likes
on
0 Posts
From: AdelaideAdelaide, AUSTRALIA
I wonder if that is the 'older' style rods though? I have been using the newer one for a long time and never had a problem. I only ran for a short time on the old style rod. It would be interesting to see if any of the newer I beam style rods have exploded. I guess the difference for me is if the rod does let go, my boat just stops and i fish it out. If a rod goes in your plane, it's a totally different story! If i do ever happen to have it let go on me i'll let you know here but i'd say with the RPM's i'm pulling you're pretty safe going higher on the new style rod. Although i've probably jinxed myself now....
i have also heard of the crank flexing and causing interference with the head in these (being that they are only a half crank engine). I am yet to see any evidence of this.
The next engine i am close to having a go with is one from a Pope brand Blower vac. 26cc cross flow, full crank, pull start and at AU$87 from the local department store it's a reasonable option for a cheap boat. The only thing that puts me off is that it is a slant plug style so it is harder to water cool. Next to useless for a plane though. If i build up another boat, i might give one a shot.
i have also heard of the crank flexing and causing interference with the head in these (being that they are only a half crank engine). I am yet to see any evidence of this.
The next engine i am close to having a go with is one from a Pope brand Blower vac. 26cc cross flow, full crank, pull start and at AU$87 from the local department store it's a reasonable option for a cheap boat. The only thing that puts me off is that it is a slant plug style so it is harder to water cool. Next to useless for a plane though. If i build up another boat, i might give one a shot.
#489
I've been building up another Ryobi 31cc motor over the last couple months. This one is an early long shaft, although not the earliest. The crankcase has a bolt on fan shroud, a single transfer port runner on each side, a single ring piston, and an exhaust port with the web in the middle of it. I've cobbled this one up from left over parts, so this motor never before ran with all these parts together.
I will not go through all the details of each individual change and effect for the mods I made as most of that has been covered previously. I will only highlight significant findings of the project.
Piston Ring:
The previous posts clearly outlined the need for good compression and pinpointed the stock single ring piston setup as being inadequate (the later two ring piston was deemed to be just fine and in no need of modification). I purchased a piston ring from Frank Bowman <[email protected]>. Interestingly enough the new piston ring showed no performance improvement from the stock ring, BUT......read on.
Using an average of three consecutive runs to wide open throttle. (Stock Ryobi 31cc in every respect except for 1/2" exhaust stack in stock muffler. APC 18x8W prop.)
Stock piston ring: 6640 rpm, ambient temp. 66 deg F
Bowman piston ring: 6630 rpm, amb. temp. 67 deg F
In both configurations the piston ring was not broken in to the cylinder. In each case they had run no more than 20 minutes prior to taking the data, and although I did not do leak down tests it was clear there was blow-by with both rings. So, the test is inconclusive.
A good tight piston ring seal is always good for optimum compression and performance, and reducing the ring end gap from around .070 inch in the stock configuration to .003 inch or so with an improved piston ring has to be good for performance. In order to do the test accurately one should have two identical motors fully broken in to test for the effect.
After installing the new ring I noticed some strange behavior in the operation of my motor. The performance seemed to significantly deteriorate during the 10-15 minutes of operation each time I ran it. It took me a while to find the problem but I discovered that although the piston ring seemed good a free in the ring groove there was one point in the circumference of the piston that was too tight. My guess is when the piston was cold everything seemed ok but during operation as the piston got hot it expanded just enough to reduce the groove/ring clearance and seize the ring. The Bowman ring is ever so slightly thicker than the stock ring. So the lesson is, when fitting a new ring make sure the ring groove is shiny aluminum color on all sides all the way around the piston before installing the ring, but also be sure not to machine off piston material and increase the piston to ring groove clearance.
After cleaning the ring groove the performance of the Bowman ring was much improved, although I had already made some other mods to the motor so a back to back test of the Bowman ring vs. the stock ring after I fixed the seizing problem was not possible.
After several more runs I noticed that the first data run of the motor (out of 3) produced better results (by 60 rpm) than the last run. There was still a heat effect. This may by normal but so as to be sure I did not still have a ring seizing problem I reduced the ring thickness by about .0003 inch just by using 600 grit wet/dry paper lubed with WD-40 placed on a sheet of glass. I don't have the measurement equipment to actually measure the ring side clearance but it's well under .002 as I couldn't even get a .002 feeler gage started in the clearance.
Port Timing:
In post #294 I outlined my experience of modifying the exhaust port of the later two runner per side transfer port cylinder. I made the same measurements for this early cylinder and found some interesting results. I checked the port timing and mean effective port area of the cylinder according to the methods set forth by Jennings. I also include a comparison of this older cylinder with the newer one that I worked up previously.
Stock, before modifications:
Single runner: Exh 150deg dur: Phys area, .27sqin: Mean eff area, .21 sqin :: Trans 124deg dur: Phys area, .29 sqin: Mean eff area, .26sqin
Two runner: Exh 128deg dur: Phys area, .25sqin: Mean eff area, .16 sqin :: Trans 106deg dur: Phys area, .24 sqin: Mean eff area, .19 sqin
It is most interesting to note that although the physical port areas of the two models are not too dissimilar, being 7% and 17% smaller for the exhaust and transfer ports respectively on the two runner cylinder, the mean effective areas are 24% and 27% smaller on the two runner cylinder. This obviously is caused by the much lower duration of both port timings on the newer two runner per side transfer port motor.
Time Area:
To take this study to conclusion I calculated the Time-Area parameters outlined in Gordon Jennings book. These calculations were for an engine speed of 7200 rpm for the single runner cylinder and 7500 for the two runner cylinder. To be perfectly consistent they should be the same speed but the difference in the outcome is small.
Single runner: Exh .000150 sec-sq cm/cubic cm: Trans .000154 sec-sq cm/cu cm
Two runner: Exh .000093 sec-sq cm/cu cm: Trans .000091 sec-sq/cu cm
The recommended range is for Exh .00014 - .00015: Trans .00008 - .00010 sec-sq cm/cu cm
What this tells us is that for the early single transfer port cylinder the exhaust port is just the right size and the transfer port(s) is bigger than necessary. For the later two runner per side transfer port cylinder the exhaust port is significantly too small (in mean effective area) and the transfer ports are just the right size. This explains why the performance improvement resulting from porting the exhaust on the later two runner per side cylinder was so dramatic.
Gordon Jennings cautions that these recommended port time-area calculations assume that a proper exhaust system (read expansion chamber) is installed to effectively scavenge the cylinder. An ideal expansion chamber design for this motor is about 3 feet long and not too practical although not impossible.
I actually did remove the center web, on the early single runner transfer port cylinder, just as an experiment and I found no performance improvement (using the minimally modified stock muffler).
I've done some testing of a DIY canister system for the Ryobi 31cc and have gotten some very positive results. I'll report them in another post.
Thanks to combatpilot for some parts to make up this motor.
diceco
Elnino, I'm interested in your exhaust system. Do you have any dimensions for it, ie. total length, pipe and cone diameters, tapers, etc. Any data empirical or anecdotal on the effect of the pipe on performance? Cool boat!
I will not go through all the details of each individual change and effect for the mods I made as most of that has been covered previously. I will only highlight significant findings of the project.
Piston Ring:
The previous posts clearly outlined the need for good compression and pinpointed the stock single ring piston setup as being inadequate (the later two ring piston was deemed to be just fine and in no need of modification). I purchased a piston ring from Frank Bowman <[email protected]>. Interestingly enough the new piston ring showed no performance improvement from the stock ring, BUT......read on.
Using an average of three consecutive runs to wide open throttle. (Stock Ryobi 31cc in every respect except for 1/2" exhaust stack in stock muffler. APC 18x8W prop.)
Stock piston ring: 6640 rpm, ambient temp. 66 deg F
Bowman piston ring: 6630 rpm, amb. temp. 67 deg F
In both configurations the piston ring was not broken in to the cylinder. In each case they had run no more than 20 minutes prior to taking the data, and although I did not do leak down tests it was clear there was blow-by with both rings. So, the test is inconclusive.
A good tight piston ring seal is always good for optimum compression and performance, and reducing the ring end gap from around .070 inch in the stock configuration to .003 inch or so with an improved piston ring has to be good for performance. In order to do the test accurately one should have two identical motors fully broken in to test for the effect.
After installing the new ring I noticed some strange behavior in the operation of my motor. The performance seemed to significantly deteriorate during the 10-15 minutes of operation each time I ran it. It took me a while to find the problem but I discovered that although the piston ring seemed good a free in the ring groove there was one point in the circumference of the piston that was too tight. My guess is when the piston was cold everything seemed ok but during operation as the piston got hot it expanded just enough to reduce the groove/ring clearance and seize the ring. The Bowman ring is ever so slightly thicker than the stock ring. So the lesson is, when fitting a new ring make sure the ring groove is shiny aluminum color on all sides all the way around the piston before installing the ring, but also be sure not to machine off piston material and increase the piston to ring groove clearance.
After cleaning the ring groove the performance of the Bowman ring was much improved, although I had already made some other mods to the motor so a back to back test of the Bowman ring vs. the stock ring after I fixed the seizing problem was not possible.
After several more runs I noticed that the first data run of the motor (out of 3) produced better results (by 60 rpm) than the last run. There was still a heat effect. This may by normal but so as to be sure I did not still have a ring seizing problem I reduced the ring thickness by about .0003 inch just by using 600 grit wet/dry paper lubed with WD-40 placed on a sheet of glass. I don't have the measurement equipment to actually measure the ring side clearance but it's well under .002 as I couldn't even get a .002 feeler gage started in the clearance.
Port Timing:
In post #294 I outlined my experience of modifying the exhaust port of the later two runner per side transfer port cylinder. I made the same measurements for this early cylinder and found some interesting results. I checked the port timing and mean effective port area of the cylinder according to the methods set forth by Jennings. I also include a comparison of this older cylinder with the newer one that I worked up previously.
Stock, before modifications:
Single runner: Exh 150deg dur: Phys area, .27sqin: Mean eff area, .21 sqin :: Trans 124deg dur: Phys area, .29 sqin: Mean eff area, .26sqin
Two runner: Exh 128deg dur: Phys area, .25sqin: Mean eff area, .16 sqin :: Trans 106deg dur: Phys area, .24 sqin: Mean eff area, .19 sqin
It is most interesting to note that although the physical port areas of the two models are not too dissimilar, being 7% and 17% smaller for the exhaust and transfer ports respectively on the two runner cylinder, the mean effective areas are 24% and 27% smaller on the two runner cylinder. This obviously is caused by the much lower duration of both port timings on the newer two runner per side transfer port motor.
Time Area:
To take this study to conclusion I calculated the Time-Area parameters outlined in Gordon Jennings book. These calculations were for an engine speed of 7200 rpm for the single runner cylinder and 7500 for the two runner cylinder. To be perfectly consistent they should be the same speed but the difference in the outcome is small.
Single runner: Exh .000150 sec-sq cm/cubic cm: Trans .000154 sec-sq cm/cu cm
Two runner: Exh .000093 sec-sq cm/cu cm: Trans .000091 sec-sq/cu cm
The recommended range is for Exh .00014 - .00015: Trans .00008 - .00010 sec-sq cm/cu cm
What this tells us is that for the early single transfer port cylinder the exhaust port is just the right size and the transfer port(s) is bigger than necessary. For the later two runner per side transfer port cylinder the exhaust port is significantly too small (in mean effective area) and the transfer ports are just the right size. This explains why the performance improvement resulting from porting the exhaust on the later two runner per side cylinder was so dramatic.
Gordon Jennings cautions that these recommended port time-area calculations assume that a proper exhaust system (read expansion chamber) is installed to effectively scavenge the cylinder. An ideal expansion chamber design for this motor is about 3 feet long and not too practical although not impossible.
I actually did remove the center web, on the early single runner transfer port cylinder, just as an experiment and I found no performance improvement (using the minimally modified stock muffler).
I've done some testing of a DIY canister system for the Ryobi 31cc and have gotten some very positive results. I'll report them in another post.
Thanks to combatpilot for some parts to make up this motor.
diceco
Elnino, I'm interested in your exhaust system. Do you have any dimensions for it, ie. total length, pipe and cone diameters, tapers, etc. Any data empirical or anecdotal on the effect of the pipe on performance? Cool boat!
#490

My Feedback: (6)
Good work! I never went so far as to use Gordon's time/area functions on these little engines, but it is interesting. Gordon also has expansion chamber formulas in his book as you know, but there are now online calculators that you can use too. They are less cumbersome when doing "what if" studies...
On my Ryobi the prop is a Zinger 18 x 6. Mods are:
CDI ignition set at 28 degrees.
Aftermarket two tube muffler.
11mm venturi carb.
Standard cylinder with exhaust bridge and no ''slits''
Frank Bowman ring. (piston ring retaining pin modified) .000'' ring gap.
Base gasket left out; deck height .030''
Exhaust port timing raised to 150 degrees.
Reed stop set to .125'' (1/8 inch)
I was a bit surprised at how well it runs. An honest 8500 rpms with a TNC tach. It is in a big Tiger Moth biplane that rarely sees full throttle, but nonetheless I will put an 18 x 8 prop on it one of these days to bring the rpms down a bit...
My brother has a mild Ryobi in his "Ryan's Rebel". It has a 9mm carb, electronic ignition, gutted stock muffler with larger outlet, and it has the cylinder with the transfer port slits in it and no porting. It turns an 18 x 6 Top Flite prop at 7700 on my TNC tach.
AV8TOR
On my Ryobi the prop is a Zinger 18 x 6. Mods are:
CDI ignition set at 28 degrees.
Aftermarket two tube muffler.
11mm venturi carb.
Standard cylinder with exhaust bridge and no ''slits''
Frank Bowman ring. (piston ring retaining pin modified) .000'' ring gap.
Base gasket left out; deck height .030''
Exhaust port timing raised to 150 degrees.
Reed stop set to .125'' (1/8 inch)
I was a bit surprised at how well it runs. An honest 8500 rpms with a TNC tach. It is in a big Tiger Moth biplane that rarely sees full throttle, but nonetheless I will put an 18 x 8 prop on it one of these days to bring the rpms down a bit...
My brother has a mild Ryobi in his "Ryan's Rebel". It has a 9mm carb, electronic ignition, gutted stock muffler with larger outlet, and it has the cylinder with the transfer port slits in it and no porting. It turns an 18 x 6 Top Flite prop at 7700 on my TNC tach.
AV8TOR
#491
Junior Member
Joined: Jan 2009
Posts: 26
Likes: 0
Received 0 Likes
on
0 Posts
From: AdelaideAdelaide, AUSTRALIA
diceco, I don't have specifics on me right now but the pipe i have was based on a design created with javapipe (http://www.mh-aerotools.de/airfoils/javapipe_en.htm) using port area and timings that i determined from the engine at the time. RPM was based on about 8K i think but it's doing more than that now. Un-silenced it really annoys the neighbors but there is no reason you could not incorporate a silencer on the end. Mine is very thin and pretty light, i fabbed the main pipe from an old stainless steel heater flue i had out the back using a mig welder and lots of tack welds. The heavy part is the header from the engine to the pipe. I tried thinner stuff but it cracked from vibration (although that was before i balanced the flywheel properly). My biggest problem is heat on the coupling between the header and the pipe. I'm yet to find something that will hold up to the heat.
Does it make a difference? Well I'm not sure! Perhaps i will stick a can back on it and give it a shot - i have plenty of them...
BTW, I had heaps of problems with the bolts stripping out on my engine so i used helicoils on the exhaust, head and carb manifold. Now it is really strong and i can use quality stainless bolts...
I'll take some measurements of the pipe tonight and post back.
Does it make a difference? Well I'm not sure! Perhaps i will stick a can back on it and give it a shot - i have plenty of them...
BTW, I had heaps of problems with the bolts stripping out on my engine so i used helicoils on the exhaust, head and carb manifold. Now it is really strong and i can use quality stainless bolts...
I'll take some measurements of the pipe tonight and post back.
#492

My Feedback: (2)
Joined: Oct 2003
Posts: 261
Likes: 0
Received 0 Likes
on
0 Posts
From: Huntsburg,
OH
I started flying my Thunder Tiger Giles 202 1.40 size plane a few weeks ago and this has gotton me back into tweaking my Ryobi combination.
I have a long shaft old style bottom end that is basically stock, I swapped in a double ring piston the other day and it was suprising how much more compression it has. My starter would barely turn it over. I am running a bigger carb, a thin base gasket (.020), and a pits style muffler from wacker engines I think. The cylinder is n older single port per side with the decompression slots, no mods to the cylinder.
It will spin a 18x6 Zinger wood prop at 7500 RPM and I just bought a Xoar Sword 18x 8 which it will turn to 7000 RPM,
I have yet to fly it with the Xoar prop but am looking foreward to it.
Also I just found on ebay a brand new short block and a new cylinder, it is one of the old cylinders without the decompression slots. I am anxious to get these to give them a try. I am hoping the new cylinder will boost the compression even more and hopefully get some more RPM out of the 18x8 Xoar prop. I may even do a little grinding in the exhaust port to increase the exhaust timing.
where do you usually have to grind it out , on the top or bottom of the port?
I also have one more carb to try it is a big one, has a 32 stamped in the venturi, we'll see if it helps or hurts!
chris
I have a long shaft old style bottom end that is basically stock, I swapped in a double ring piston the other day and it was suprising how much more compression it has. My starter would barely turn it over. I am running a bigger carb, a thin base gasket (.020), and a pits style muffler from wacker engines I think. The cylinder is n older single port per side with the decompression slots, no mods to the cylinder.
It will spin a 18x6 Zinger wood prop at 7500 RPM and I just bought a Xoar Sword 18x 8 which it will turn to 7000 RPM,
I have yet to fly it with the Xoar prop but am looking foreward to it.
Also I just found on ebay a brand new short block and a new cylinder, it is one of the old cylinders without the decompression slots. I am anxious to get these to give them a try. I am hoping the new cylinder will boost the compression even more and hopefully get some more RPM out of the 18x8 Xoar prop. I may even do a little grinding in the exhaust port to increase the exhaust timing.
where do you usually have to grind it out , on the top or bottom of the port?
I also have one more carb to try it is a big one, has a 32 stamped in the venturi, we'll see if it helps or hurts!
chris
#493
Junior Member
Joined: Jan 2009
Posts: 26
Likes: 0
Received 0 Likes
on
0 Posts
From: AdelaideAdelaide, AUSTRALIA
ORIGINAL: moparcolt
I also have one more carb to try it is a big one, has a 32 stamped in the venturi, we'll see if it helps or hurts!
chris
I also have one more carb to try it is a big one, has a 32 stamped in the venturi, we'll see if it helps or hurts!
chris
By the information here, i don't think there will be much difference in performance but i run a 32 fine in my boat, i.e it won't hurt it.
Also, i have heard of some people removing some material from the butterfly around the idle jets on the bigger carbs. They make the crescent bigger (about 2mm deep). Apparently this greatly improves idle performance and it also means you can get better needle settings for a full rev range rather than tuning for idle.
#494
moparcolt wrote:
I tried the decompression slotted cylinder and found a significant difference in compression and output power (see post #145 in this thread). You will probably see a vast improvement as well when you run the non slotted cylinder.
As for porting the exhaust of the single transfer port runner cylinder, by my experiments you probably won't see a difference in performance. If you do try and increase the port size you will want to increase the hight or width (or both) of the port but it will do no good at all to lower the port lip. At BDC, the lowest point of piston travel, the top of the piston defines the size of the exhaust port. If you haven't yet read Gordon Jennings book, or at least peruse the section devoted to porting, I recommend it.[link]http://edj.net/2stroke/jennings/[/link]
diceco
Also I just found on ebay a brand new short block and a new cylinder, it is one of the old cylinders without the decompression slots. I am anxious to get these to give them a try. I am hoping the new cylinder will boost the compression even more and hopefully get some more RPM out of the 18x8 Xoar prop. I may even do a little grinding in the exhaust port to increase the exhaust timing.
where do you usually have to grind it out , on the top or bottom of the port?
where do you usually have to grind it out , on the top or bottom of the port?
As for porting the exhaust of the single transfer port runner cylinder, by my experiments you probably won't see a difference in performance. If you do try and increase the port size you will want to increase the hight or width (or both) of the port but it will do no good at all to lower the port lip. At BDC, the lowest point of piston travel, the top of the piston defines the size of the exhaust port. If you haven't yet read Gordon Jennings book, or at least peruse the section devoted to porting, I recommend it.[link]http://edj.net/2stroke/jennings/[/link]
diceco
#495

My Feedback: (2)
Joined: Oct 2003
Posts: 261
Likes: 0
Received 0 Likes
on
0 Posts
From: Huntsburg,
OH
I will take a look at that book, I wonder if I get the compression up, if higer octane fuel will improve output? or possibly some other addative? nitro fuel mixed in?
I may look into removing some more material from the top of the block to make more compression as well, Ihave done this before.
Does opening up the intake ports make any difference?
I may look into removing some more material from the top of the block to make more compression as well, Ihave done this before.
Does opening up the intake ports make any difference?
#496
Senior Member
My Feedback: (1)
Higher octane doesn't do squat in other motors, so I don't think it will help here (it has the same heat energy per volume as lower octane, it just propagates the flame wall slower to prevent pre-ignition). Nitro might help (if the motor can tolerate it).
#497
I have experimented with 91 octane gas in all my two strokes and found that the octane doesn't do much to improve power in most situations but it does improve idle slightly and the engine runs noticeably smoother. I now, run 91 octane in all my two stroke engines, even my outboard, and I plan to run 91 octane in my conversions. I have not tried 100LL avgas in my conversions, but I will as soon as I can get my hands on some.
#498
Senior Member
My Feedback: (1)
Twin Star, most 2s outboards are not helped by octane > 87. I have lots of experience running and rebuilding outboards and can tell you that, except for high compression racing motors, higher octanes just result in greater deposit formations, which is not desirable at all. I currently run a pair of 175HP E-Tecs offshore, with tons of both high speed and trolling time and run the lowest octane I can find (89 at most local marinas). I also run a number of low HP motors as well. Avgas is not really desirable, but finding zero ethanol fuel will really help. Ethanol, by volume, has way less BTU (and therefor energy) content than gasoline, which is why you see a significant reduction in mpg is vehicles using it. I've found a local marina selling zero ethanol fuel, which is where my boat and models get their fuel.
#499

My Feedback: (2)
Joined: Oct 2003
Posts: 261
Likes: 0
Received 0 Likes
on
0 Posts
From: Huntsburg,
OH
I was wondering about the ethanol issue. We have a local independant gas station that has 0% ethanol gas. I was goinng to give it a try.
I know when I bought my chainsaw the Stihl dealer said to use Shell gas because it doesn't have alchol in it.
I know when I bought my chainsaw the Stihl dealer said to use Shell gas because it doesn't have alchol in it.
#500
I too buy fuel at the local marina to avoid ethanol. I am just saying. I like the way my engines run with 91 octane. if you like low octane then use what makes you happy.


